info@antiqua.hu
Mail: info@antiqua.hu

Antiqua  - 1108 Budapest, Kozma utca 7.  -  Postacím: Budapest  1475  Pf.:120

Kezdőoldal Termékek Vákuumos emelők Vákuumpumpa Csipesz Oszlopos forgódaru Fotogaléria Videógaléria Katalógusok Kapcsolat

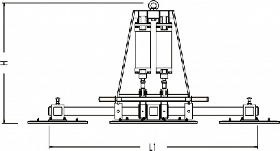
Vákuumos emelő kőhöz

Topline



Modell

Teherbírás

Szívófej

Méretek

Súly


kg

db

D

mm

A

mm

B

mm

A1

mm

B1

mm

C

mm

D

mm

D1

mm

D

min

D

max

D2

min

D2

max

L1

L

min

L

max

H

mm

kg

VAM 3 PN / 375

375

3


450

200

450

200

790



765

890



1500

1050

1840

870

60

VAM 3 PN / 625

625

3


450

300

450

200

790



815

890



1500

1150

1840

870

69

VAM 3 PN / 750

750

3


450

300

450

300

790



815

890



1500

1150

1840

900

75

VAM 3 PN / 1000

1000

3


600

400

600

250

790



870

970



1500

1510

2010

875

108

VAM 3 PN / 1250

1250

3


600

400

600

250

790



895

995



1500

1510

2010

1050

108

VAM 3 PN / 1500

1500

3


600

400

600

400

790



895

995



1500

1510

2010

1050

108

Vákuumos emelő kövekhez

Topline - VAM 3 PN

Teherbírás: 375 - 1.250 kg

Billentés pneumatikus: 0° - 90°